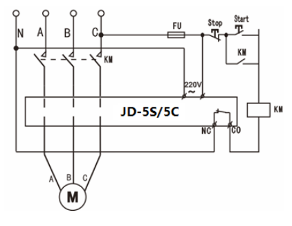
電動機保護器種類很多,推薦一種上海碩吉JD-5S電動機綜合保護器及接線方式,220/380可選。

|
指 標 |
規 格 |
|
|
電動機保護器型號 |
JD-5S |
JD-5C |
|
整定電流范圍 |
5~80A |
0.5~10A |
|
過載動作時間 |
1~99秒 |
|
|
電源電壓 |
220V或380V(以產品標簽為準),其他電壓可定制 |
|
電動機缺相保護器工作原理和接線圖

保護器在斷電狀態下,NC與CO是通的。通電后,電動機工作正常時保持接通,當檢測到電動機出現故障時,繼電器斷開,切斷電動機電源。
缺相就是三相電源供電,實際到的不是三相,而是兩相或只有一相電。三相電機電源缺相后電機無法正常工作,長時間缺一相電會燒壞電機線圈繞組,使用三相380V電源變220V控制電源,會因為缺相沒有220V電壓。可以使用萬用表測量三相電源相間電壓,如果不都是380V左右,說明電源缺相。
電流檢測
電動機保護器通過內置的電流互感器來檢測三相負載電流,所以被保護電動機的三根相線必須分別穿過電流互感器的三個小孔
??????過載保護
當負載電流超過整定電流,并且持續時間達到設定的過載動作時間時,繼電器斷開,切斷電動機電源。
智能啟動識別
為防止電機啟動時產生誤動作,本產品具有智能啟動識別功能,當識別到電動機處于啟動狀態時,過載動作時間加倍,化學教育中心。
缺相保護
當電動機發生缺相故障時,繼電器斷開,切斷電動機電源。為防止空載和小電流時誤動作,電流小于2A時關閉缺相檢測。